Замок накладной V9083 с кнопкой
6200
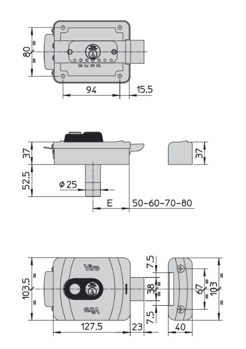
Электромеханический замок V9083 подходит для механических и автоматических дверей, ворот и калиток. Предназначен для установки на улице. Возможна самостоятельная установка дополнительной функциональности замка. Специальная обработка и покрытие поверхности замка позволяют устанавливать его в местах, подверженных значительным температурным изменениям.
- Электромеханический замок для открывания внутрь.
- Комплектуется круглым цилиндром.
- Запатентованная автоматически откидывающаяся защелка.
Установка: горизонтальная
Бэксет: регулируется на 50-60-70-80 мм при помощи ключа, который поставляется в комплекте.
Функциональность замка:
— стандарт: замок открывается при подаче электрического импульса и остается открытым до тех пор, пока дверь/калитка вновь не будет закрыта. Подходит для работы с дверными доводчиками и/или автоматическими системами.
— дополнительная безопасность: устанавливается при помощи простого удаления одной внутренней части. Замок открывается только при одновременной подаче электрического импульса и физического/автоматического давления на дверь/калитку. В данном случае не рекомендуется использовать с дверными доводчиками и/или автоматическими системами.
Двойная съемная катушка: равномерно распределяет нагрузку и обеспечивает высокую надежность и долговечность.
Номинальное напряжение: стандартное — 12V переменного тока (по заказу 12V постоянного тока; 24V переменного или постоянного тока).
Корпус: цельный из оцинкованной стали.
Крышка с ручкой: из оцинкованной стали.
Кнопка: из латуни, нейлоновое кольцо цилиндра/кнопки.
Поворотная защелка: из нержавеющей стали высокого сопротивления AISI 304, удвоенная толщина защелки.
Цилиндры: из латуни, внутренний фиксированный, внешний фиксированный.
Ключи: никелированные, 3 шт.
При повернутом ключе с внутренней стороны двери можно:
— блокировать или активизировать функцию кнопки;
— блокировать или активизировать функцию "дневной режим".
В комплекте: ответная планка из оцинкованной стали для горизонтальной установки, шестигранный ключ для регулировки выхода ригеля, крепежные винты.
Упаковка: индивидуальная коробка.

.jpg)
.jpg)
.jpg)
.jpg)
.jpg)
.jpg)